Umfassender Lehrplan:Deckt die vier wesentlichen Eigenschaften von LEDs ab: Licht, Elektrizität, Farbe und Wärme.
Modulares Design:Verfügt über unabhängige, aber unterstützende Experiment module mit klaren funktionalen Unterteilungen zum einfachen Verständnis.
Lehr orientiertes Design:Umfasst voll ausgestattete Software und Geräte, die nach Bildungs standards entwickelt wurden und das logische Verständnis und theoretisches Lernen fördern.
Standard isierte Prüfung:Befolgt streng maßgebliche internat ionale Standards für Parameter wie Licht intensität (CIE-Standard) und Lichtstrom (Integrations kugel methode).
Volt-Ampere-charakter is tisches Testexperiment.
Beziehung experiment zwischen Licht intensität und Strom.
Beziehung experiment zwischen Lichtstrom und Strom.
Meß experiment der räumlichen Verteilungs eigenschaften von LED-Ausgangs licht.
Meß experiment von Chromat izitäts parametern verschiedener LEDs.
Meß experiment des VT-Koeffizienten (Welligkeit) der Impuls strom versorgung.
Meß experiment des K-Koeffizienten.
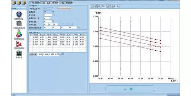
Meß experiment der Sperrschicht temperatur und des thermischen Widerstands.
NEIN. | Name des Teils | Haupt parameter |
1 | LED-Strom versorgung I (Konstant stromquelle) | 110V/220V Eingang, 0 ~ 50/500mA Ausgang, Spannungs bereich 0-10V |
2 | LED-Strom versorgung II (Konstant spannungs quelle) | 110V/220V Eingang, 0 ~ 10V Ausgang; Strombereich 0-0, 1A |
3 | (Programmier bare) Impuls-Strom versorgung | Kleiner Ausgangs strom im Bereich von 0 bis 50 mA; großer Strom ausgeben Von 50 bis 500 mA. |
4 | Temperatur regelung Strom versorgung | Heiz bereich: 0-100 ° c |
5 | Illum ino meter mit Detektor | Messbare Beleuchtungs-und Lichtstrom werte, Beleuchtungs stärke bereich: 0,001 LX bis 2000 LX; Lichtstrom bereich: 0,001 LM bis 999 LM; |
6 | RGB-Strom versorgung (Konstant stromquelle) | Drei phasen strom ausgang |
7 | Faser spektrometer | Wellenlängen bereich: 350-1050nm, Auflösung 2nm |
8 | Lüfter-Kühl-Wolfram-Lichtquelle | Wellenlängen bereich: 400 nm-2000 nm Kühl methode: Lüfter |
9 | Temperatur regler System | Heiz bereich 0 ~ 100 ° C |
10 | Integration der Sphäre | Strahlen integrierende Kugel |
11 | LED-Befestigung und Halter | Dia 50mm |
NEIN. | Name des Teils | Modell | Qty. |
1 | LED-Strom versorgung I (Konstant stromquelle) | BEM-5036 | 1 |
2 | LED-Strom versorgung I (Konstant spannungs quelle) | BEM-5035 | 1 |
3 | (Programmier bare) Impuls-Strom versorgung | BEM-5037 | 1 |
4 | Temperatur regelung Strom versorgung | BEM-5038 | 1 |
5 | Illum ino meter mit Detektor | BEM-5409 | 1 |
6 | Faser spektrometer | BIM-6001-06 | 1 |
7 | Lüfter-Kühl-Wolfram-Lichtquelle | BIM-6210 | 1 |
8 | Temperatur regler System | BEM-5040A | 1 |
9 | Integration der Sphäre | BEM-5216-15003 | 1 |
10 | LED-Befestigung und Halter | BEM-5217 | 1 |
11 | Anpassungs plattform für Lichtquelle | BEM-5214 | 1 |
12 | Blenden rohr mit Halter | BEM-5215 | 1 |
13 | Blende | BEM-5221-03 | 1 |
14 | Bildschirm anzeigen | BEM-5410 | 1 |
15 | Spur | BEM-5201-06 | 1 |
16 | Träger | BEM-5204-50 | 1 |
17 | Verstellbarer Pfosten halter | BEM-5205-25 | 1 |
18 | Plakat | BEM-5209-09 | 1 |
19 | Quarz faser | SIM-6102-0605-S/S-P | 1 |
20 | Laser modul mit Fixtur | BEM-5047 | 1 |
21 | LED-Test proben mit Aufbewahrung koffer | BEM-5048 | 1 |
22 | Stromkabel | BC-105075 | 4 |
23 | USB-Datenkabel | BC-105080 | 2 |
24 | 4mm Bananen stecker Stecker Kabel, rot | BC-105084 | 6 |
| 25 | 4mm Bananen stecker Stecker Kabel, Schwarz | BC-105083 | 6 |
1. Elektrisches & elektro-optisches Konvertierungs experiment

2. Messen Sie die Chromat izitäts parameter verschiedener LEDs

3. Licht räumliche Verteilung (Licht verteilungs kurve) Experiment

Die Kurve, die die Variation des Durchschnitts zeigt
Lichtstärke im ein dimensionalen Raum mit dem Strom

Zwei dimensionale räumliche Licht verteilung
(Licht verteilung) Kurve
4.Untersuchen Sie die Beziehung zwischen Strom, Lichtstrom und Licht ausbeute

Die Kurve, die die Beziehung zwischen Strom und Lichtstrom zeigt

Die Kurve, die die Beziehung zwischen Strom und Licht ausbeute zeigt
6. Thermisches charakter is tisches Test-Experiment
Dieses Modul wird verwendet, um den K-Koeffizienten, den Wärme widerstand und die Sperrschicht temperatur von LEDs zu messen und zu berechnen. Der Versuchs aufbau umfasst ein Temperatur regelungs system, eine Temperatur regelungs strom versorgung und eine Impuls strom versorgung. Nach Beginn des Experiments kann die Spannungs-Zeit-Kurve in Echtzeit auf der Softwares chnitt stelle angezeigt werden, wodurch die Sperrschicht temperatur und der Wärme widerstand im stationären Zustand analysiert werden können.

Prüfung des kleinen aktuellen K-Koeffizienten
